1 / 5
BLS Structural Steel
| Feature | Anti-Corrosion, Earthquake Resistance, Easy To Install, High Intensity, Recyclable |
| Standard | ASTM, JIS, ISO9001, EN, GB |
| Material Grade | Carbon Steel (Q235B, Q345B, S235JR, S355JR, etc.) |
| Thickness | 1.0mm to 3.0mm |
| Surface Treatment | Black, Galvanized (Zn 80g - 275g), Painted, Coated |
| Application | Steel Workshop, Warehouse, Building, Infrastructure |
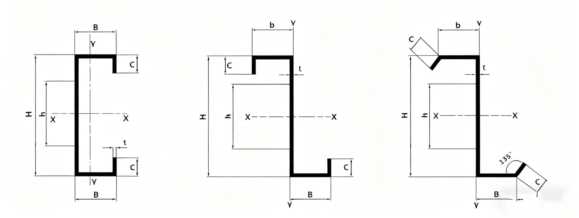
Channel section steel is a high-strength carbon structural steel known for its excellent weldability. It is widely used in construction and automobile manufacturing. Our steel purlins provide essential structural support for roofs and buildings, offering durability and stability.
| C & Z Channel Technical Data | |
|---|---|
| Width Range | C80 to C300, Z100 to Z300 |
| Length | Customized (< 5.85m for 20FT, < 11.85m for 40FT) |
| Technique | Hot rolled / Cold rolled + Galvanized |
| Tolerance | ±1% |




Our commitment to quality is backed by international standards:
Packaging Details: Components are securely packed with proper protection. Bolts and accessories are loaded into wooden boxes. All structural elements are packed for ocean transport in 40'HQ containers, handled by skilled workers using cranes and forklifts to prevent damage.